熔噴機高溫計量泵為什么選擇鄭州巴特
作者:鄭州巴特熔體泵有限公司 時間:2020-05-14 15:17:14
因新冠病毒肺炎疫情的影響,口罩供不應求,而作為口罩的核心原料熔噴布,更是無法滿足現今口罩廠家的需求。現今市場上從事口罩生產的企業達到數千家,這很大程度上刺激了對熔噴布的生產和需求。鄭州巴特熔體泵廠家提供的熔噴計量泵,主要應用于熔噴布生產線,是生產熔噴布不可或缺的設備;對于巴特提供的熔噴機高溫計量泵,擁有哪些方面的優勢,將在詳細詳細的闡述說明。

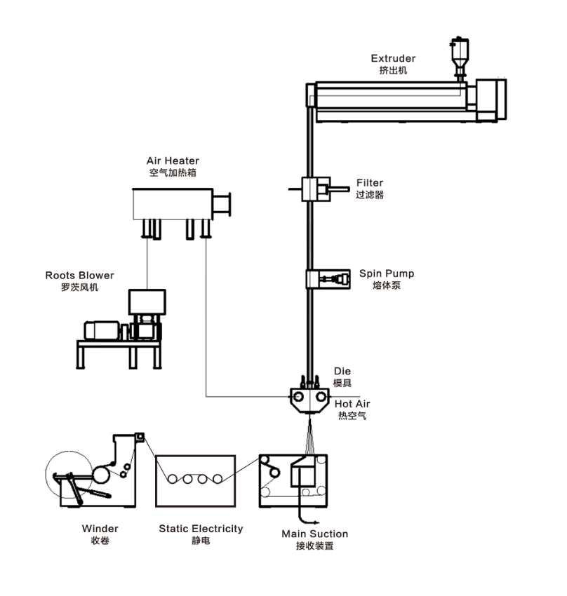
熔噴布生產工藝流程為:原材料---->熔融擠出---->過濾---->計量(熔噴機高溫計量泵)---->空氣加熱壓縮---->熔噴---->成網---->收卷。

熔噴計量泵在熔噴布生產線上的作用是:計量,控制產量和纖維的細度,將熔體連續均勻輸送到噴絲頭。鄭州巴特熔體泵廠家提供的熔噴機高溫計量泵具有穩定輸出壓力、提高產品品質、提高擠出產量、降低單位能耗等優勢。

鄭州巴特專業技術團隊根據熔噴用計量泵、熔噴換網器的特點,確定標準產品、進一步優化生產工藝以及車間延長工作時間等措施,保證熔噴計量泵、熔噴換網過濾器的供應。鄭州巴特熔體泵廠家在過去數十年里,專注于塑料、化纖、無紡布、化工等行業所需的換網過濾器和熔體計量泵整合解決方案等的研發和生產制造,是內大型擠出機廠商定點配套單位。鄭州巴特近些年為內無紡布裝備制造企業提供了大批定制化熔噴機計量泵,具有無脈動、計量精準、壽命長等優勢。24小時咨詢熱線:0371-67993077
上一篇:概述熔體齒輪泵有哪些常見的密封方式
下一篇:熔噴計量泵和熔噴液壓換網器在熔噴布生產線中的作用


